
Nous proposons une large gamme de rallonges qui permettent de se dégager du volant et de la vanne, notamment en cas de volant conique ou de vanne enterrée.
Légères et robustes, elles permettent le passage des tiges montantes jusqu’à un diamètre maxi de 48 mm.
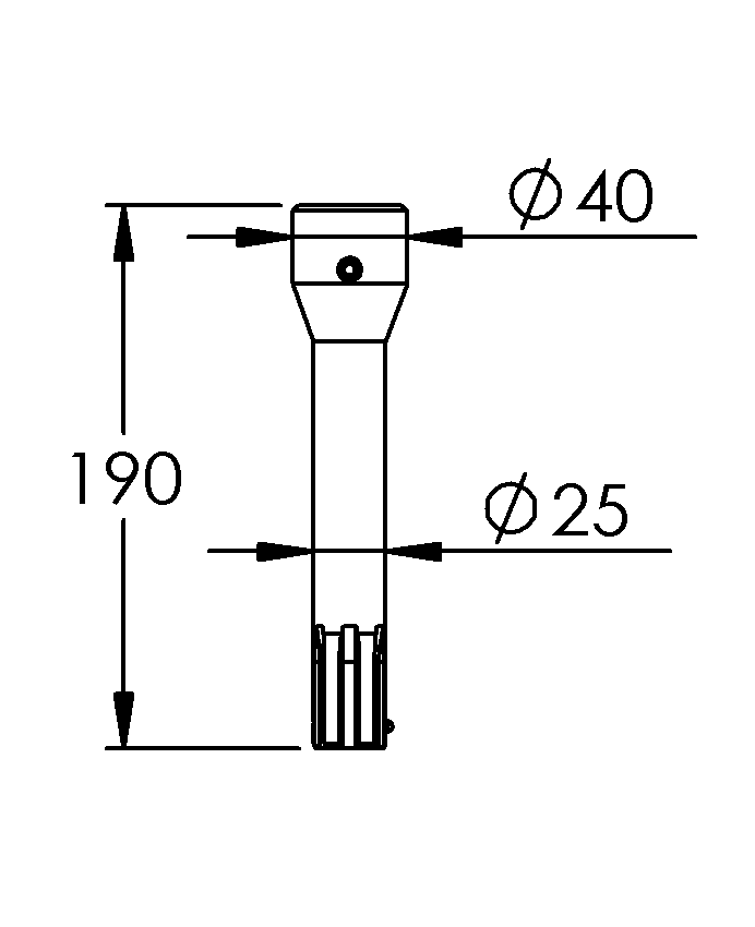
Les rallonges EBX02 se fixent directement sur les adaptateurs CSB. Les rallonges EBX04 se fixent sur les adaptateurs FUA en utilisant une interface TTA, ou directement sur les adaptateurs FSB.
Toutes ces rallonges se connectent à nos actionneurs par l'intermédiaire des interfaces TTA pour les têtes creuses et KTA pour les sorties droites ou à renvoi d’angle.
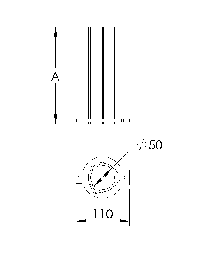
Les rallonges télescopiques EB00X sont particulièrement adaptées pour la manœuvre de vannes enterrées. Elles sont équipées à l’une de leurs extrémités d’un carré mâle 3/4‘‘ pour recevoir une douille standard. Elles peuvent être entraînées soit par un actionneur droit ou à renvoi d’angle, soit par un actionneur équipé d’une tête creuse (avec l’interface KHA002, voir ci-dessous).
Lorsqu’une vanne est enterrée profondément, des rallonges supplémentaires (EB01x) peuvent être utilisées.

Nous proposons une large gamme de rallonges qui permettent de se dégager du volant et de la vanne, notamment en cas de volant conique ou de vanne enterrée.
Légères et robustes, elles permettent le passage des tiges montantes jusqu’à un diamètre maxi de 48 mm.
Les rallonges EBX02 se fixent directement sur les adaptateurs CSB. Les rallonges EBX04 se fixent sur les adaptateurs FUA en utilisant une interface TTA, ou directement sur les adaptateurs FSB.
Toutes ces rallonges se connectent à nos actionneurs par l'intermédiaire des interfaces TTA pour les têtes creuses et KTA pour les sorties droites ou à renvoi d’angle.
Les rallonges télescopiques EB00X sont particulièrement adaptées pour la manœuvre de vannes enterrées. Elles sont équipées à l’une de leurs extrémités d’un carré mâle 3/4‘‘ pour recevoir une douille standard. Elles peuvent être entraînées soit par un actionneur droit ou à renvoi d’angle, soit par un actionneur équipé d’une tête creuse (avec l’interface KHA002, voir ci-dessous).
Lorsqu’une vanne est enterrée profondément, des rallonges supplémentaires (EB01x) peuvent être utilisées.
| Référence | Poids (Kg) | Couple max (Nm) | A (mm) | Tige max (mm) |
|---|---|---|---|---|
| EB001 | 4.4 | 1000 | 1020 .. 1726 | N/A |
| EB002 | 2.2 | 1000 | 570 .. 940 | N/A |
| EB003 | 0.8 | 1000 | N/A | N/A |
| EB011 | 3.7 | 1000 | 1000 | N/A |
| EB012 | 1.9 | 1000 | 500 | N/A |
| EB202/EB204 | 1.3 | 1000 | 200 | 48 |
| EB402/EB404 | 2.5 | 1000 | 400 | 48 |
| EB602/EB604 | 3.7 | 1000 | 600 | 48 |
| Référence | Interfaces pour têtes droites ou à renvoi d'angle | Interfaces pour banjo head | Interfaces pour adaptateurs | Type d'adaptateur |
|---|---|---|---|---|
| EB001/EB002 | Direct | KHA002 | Direct | DCxxx CA ¾ |
| EBx02 | KTA002 | TTA002 | Direct | CSB |
| EBX03 | Direct | N/A | KPAxxx KTA 3/4 | SUA FUA FSB CSB |
| EBx04 | KTA002 | TTA002 | Direct TTA002 | FSB FUA |
The shaft extension EB003 fits on any actuator
shaft and makes it 160mm longer